Hタイプ 丸型中空 樹脂製 M3用 標準型 [HP3-00]

Hタイプ 丸型中空 樹脂製 M3用 標準型 [HP3-00]

販売価格: 1,100~4,000(税別)

(税込: 1,210~4,400)

オプションにより価格が変わる場合もあります。

サイズ:
100個単位: 00個

商品詳細

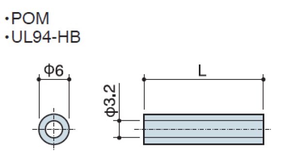
樹脂製丸形中空スペーサー

M3用

 

 

材質 POM (ジュラコン)

規格 UL94-HB

 

サイズは下記表参照

HP3-1 HP3-1.5 HP3-2 HP3-2.5 HP3-3 HP3-3.5 HP3-4 HP3-4.5 HP3-5 HP3-5.5 HP3-6 HP3-7 HP3-8 HP3-9 HP3-10 HP3-11 HP3-12 HP3-13 HP3-14 HP3-15 HP3-16 HP3-17 HP3-18 HP3-19 HP3-20 HP3-21 HP3-22 HP3-23 HP3-24 HP3-25 HP3-26 HP3-27 HP3-28 HP3-29 HP3-30 HP3-35 HP3-40 HP3-50